设计特点:
A. 贯通型中孔
B. 低摩擦
C. 高精度
参数规格 | 单位 | TGV50 | TGV75 | TGV90 | TGV130 | ||||
电机型号 | - | AVM50-HF-10-C15 | AVM75-HF-25 | AVM90-30-C77 | AVM130-HF-10 | ||||
持续推力(自冷) @100?C①② | N | 25.2 | 127.90 | 57.3 | 150.75 | ||||
峰值推力② | N | 105 | 590.10 | 202.6 | 452.3 | ||||
力常数 ±10%② | N/A | 21.0 | 34.6 | 14.33 | 22.8 | ||||
反电势常数 ±10%② | V/(m/s) | 21.0 | 34.6 | 14.33 | 22.8 | ||||
电阻 @25?C ±10%③ | Ω | 8.75 | 2.83 | 2.64 | 0.75 | ||||
电感 ±20%④ | mH | 4.93 | 2.76 | 4.09 | 0.75 | ||||
持续电流(自冷) @100?C① | A | 1.2 | 3.7 | 4.0 | 6.6 | ||||
峰值电流 | A | 5.0 | 17.0 | 14.0 | 19.8 | ||||
最高电压 | Vdc | 60 | 60 | 120 | 120 | ||||
机械参数 | 单位 | TGV50 | TGV75 | TGV90 | TGV130 | ||||
精度等级 | - | P | N | P | N | P | N | P | N |
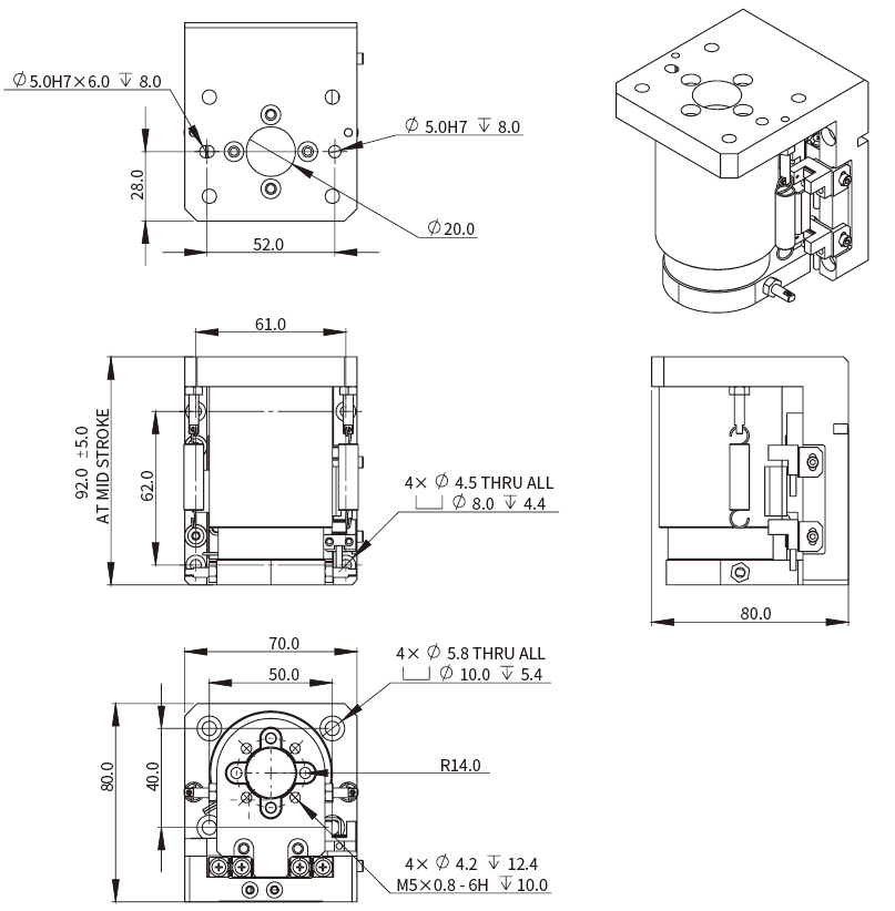
行程⑤ | mm | 10 | 25 | 30 | 10 | ||||
分辨率 | μm | SINCOS/0.05 | 0.2 | SINCOS/0.05 | 0.2 | SINCOS/0.05 | 0.2 | SINCOS/0.05 | 0.2 |
重复定位精度 | μm | ±0.5 | ±1.0 | ±0.5 | ±1.0 | ±0.5 | ±1.0 | ±0.5 | ±1.0 |
水平直线度 | μm | ±2.5 | ±2.5 | ±2.5 | ±2.5 | ||||
垂直直线度 | μm | ±2.5 | ±2.5 | ±2.5 | ±2.5 | ||||
额定负载⑥ | kg | 3.0 | 8.0 | 6.0 | 15.0 | ||||
空载运动质量 | kg | 0.26 | 1.11 | 1.41 | 2.35 | ||||
空载总质量 | kg | 1.21 | 3.85 | 3.76 | 10.1 | ||||
最大静态力矩 | Nm | 6.8 | 14.4 | 21.1 | 70.9 |
注:
①测量室温25?C,取决于散热环境。
②行程中点处的值。
③电阻测量采用直流电流,含0.5米标准导线。。
④电感测量频率1kHz。
⑤行程的定义根据防撞块至防撞块,即机械行程。限位传感器的位置距离防撞块0.5mm。
⑥在此负载下,平台可以提供不少于1G的加速度
相关参数规格如有变动,恕不另行通知。
TGV50
TGV75
TGV90
TGV130